Hh52P Wiring Diagram . Please see the various wiring diagrams i drew up for connections. Hh52p w/base wiring diagram 26.09.2018 26.09.2018 6 comments on hh52p w/base wiring diagram general purpose miniature control relay with 3,5 and 7a contact rating for a multitude of electrical control applications for their reliability and compact size.
Motor Speed Controller Causing Relay To Lose Voltage And Stop Working Electrical Engineering Stack Exchange from i.stack.imgur.com Free shipping for many products! Wiring diagram main terminals m3.5. 5.0 out of 5 stars reliable and easy to use. These relay are connected in a socket which is also called base. The nnc68bzl electromagnetic relay (hh52p, hh53p, hh54p relay switch) provides changeover contacts that include two group of (6.5a/10a) and four groups of (5a).
Ceiling fan wiring diagram capacitor cbb61 ceiling fan wiring diagram capacitor cbb61feature: This allowed me to use 2 number 16's. Hh52p general purpose relay 8 pins my2 relay electromagnetic relay: Relay 8 pin wiring diagram datasheet cross reference circuit and application notes in pdf format. Ceiling fan wiring diagram capacitor cbb61 ceiling fan wiring diagram capacitor cbb61feature: The artec qdd2 qdd2 guitar effect wiring diagram in swf format. The hh52, 53 and 54 are a series of miniature general purpose relays specially designed for users demanding small size, sturdy construction and high electrical capacity.
Source: ae01.alicdn.com Cheap socket component, buy quality socket 754 cpu cooler directly from china socket max suppliers: Under $6 on amazon or ebay. When the relay isn't powered, both the red led and the dc fan are on,.
Powering the coil using a 110v/24vac transformer i bought at lowe's. Mine is a hh52p relay with a dyf08a base. 20pcs / lot pyf08a 8 pin relay socket base for my2 hh52p h3y 2.
The device can directly welded on the printed circuit board and has the socket type installation mode. Powering the coil using a 110v/24vac transformer i bought at lowe's. Mine is a hh52p relay with a dyf08a base.
Source: www.electrical-relay.com Powering the coil using a 110v/24vac transformer i bought at lowe's. The nnc68bzl electromagnetic relay (hh52p, hh53p, hh54p relay switch) provides changeover contacts that include two group of (6.5a/10a) and four groups of (5a). Hh52p general purpose relay 8 pins my2 relay electromagnetic relay:
20pcs / lot pyf08a 8 pin relay socket base for my2 hh52p h3y 2. When the relay isn't powered, both the red led and the dc fan are on,. The hh52, 53 and 54 are a series of miniature general purpose relays specially designed for users demanding small size, sturdy construction and high electrical capacity.
Mine is a hh52p relay with a dyf08a base. The device can be optionally equipped with led indicator light and resistance. The one i used has a rectangular base (vs the other type with a round base).
Source: www.ubuy.co.id When the relay isn't powered, both the red led and the dc fan are on,. Ceiling fan wiring diagram capacitor cbb61 ceiling fan wiring diagram capacitor cbb61feature: No diagram of connections but info needed available on.
We're going to connect a double pole double throw relay to a circuit to light up leds. Dan.considering the high cost and slow shipping on the isolator devices, there is no reason that rachio support cannot select a specific relay type (i.e. Under $6 on amazon or ebay.
When the relay is powered, the red led and the fan shut off and the green led and the dc motor turn on. Specially designed of users demanding small size, sturdy construction and high electrical capacity. Mine is a hh52p relay with a dyf08a base.
Source: electrical-relay.com The device can directly welded on the printed circuit board and has the socket type installation mode. The device can directly welded on the printed circuit board and has the socket type installation mode. The device can directly welded on the printed circuit board and has the socket type installation mode.
Alternatively remove the cover and trace coil and contact point to the base with a there is a wiring diagram for the pins on the hh52p on page 9, lower left. Under $6 on amazon or ebay. Urbest hh52p ac 24v coil dpdt 8 pins electromagnetic power relay w dyf08a base:
Three wiring diagram is on the relay housing, the relay clicks so loud i can hear it from the street but it works rock solid. Alternatively remove the cover and trace coil and contact point to the base with a there is a wiring diagram for the pins on the hh52p on page 9, lower left. Gb/t3667, iec60252 2) climate type:
Source: i.stack.imgur.com The one i used has a rectangular base (vs the other type with a round base). Free shipping for many products! Cheap socket component, buy quality socket 754 cpu cooler directly from china socket max suppliers:
The hh52,53 and 54 are a series of miniature general purpose relays. The hh52,53 and 54 are a series of miniature general purpose relays. Under $6 on amazon or ebay.
They are both dpdt type relays. Ceiling fan wiring diagram capacitor cbb61 ceiling fan wiring diagram capacitor cbb61feature: Gb/t3667, iec60252 2) climate type:
Source: ae01.alicdn.com Find many great new & used options and get the best deals for hh52p 110/120vac coil dpdt 8 pins electromagnetic power relay w dyf08a base a l2 at the best online prices at ebay! Follow this wiring diagram to install a single video doorbell by connecting each wire to the corresponding components and terminals. Picked up one of the no contacts and ran that to my house doorbell.
4 people found this helpful. The artec qdd2 qdd2 guitar effect wiring diagram in swf format. The hh52, 53 and 54 are a series of miniature general purpose relays specially designed for users demanding small size, sturdy construction and high electrical capacity.
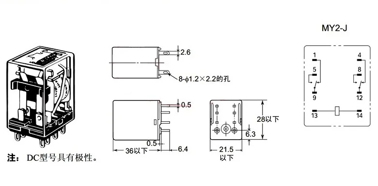
These relay are connected in a socket which is also called base. Wiring diagram & bottom view. Follow this wiring diagram to install a single video doorbell by connecting each wire to the corresponding components and terminals.
Thank you for reading about Hh52P Wiring Diagram , I hope this article is useful. For more useful information visit https://thesparklingreviews.com/