1995 Chevy 1500 Radio Wiring Diagram

1995 Chevy 1500 Radio Wiring Diagram. Electrical energy is transmitted with the utility producing stations to unique meters making use of virtually solely aluminum wiring. 1994 chevy 1500 wiring diagram.

1992 Chevrolet Silverado Radio Wiring Diagram Wiring Diagram B93 Percent
1992 Chevrolet Silverado Radio Wiring Diagram Wiring Diagram B93 Percent from www.andylphoto.com
1995 chevy tahoe ac wiring diagram. Diagram 1995 chevy 1500 ignition wiring diagram full. Chevy secondary air pump relay and fuse location. 1995 chevy silverado 1500 blower motor wiring diagram 1995 chevrolet 1500 wiring diagram 97chevy 1500 starter wiring diagram Chevrolet avalanche 1500 seat heater wiring schema.

1995 chevy tahoe ac wiring diagram.

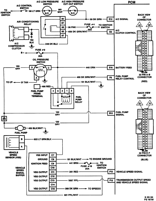
If the 1995 chevy k1500 radio wiring diagram has attained the proper closing place, the indicator around the jaw will match the diameter from the. Diagram] 88 chevy 3500 distributor wiring diagram full version hd quality wiring diagram zo_4731] chevy 6 5 wiring diagram free diagramicism dome mohammedshrine librar wiring 101. Chevy van g20 chevrolet chevy van g30 chevrolet classic chevrolet cobalt chevrolet cobalt ls chevrolet cobalt lt. The part of 1999 chevrolet chevy 1500 pu v6 wiring diagram:power distribution coil, a/c compressor fuse, ignition fuse, underhood bussed electrical center, high pressure cutout switch, a/c compressor clutch, a/c low pressure cycling switch, ground distribution, powertrain control module. 77 chevy blazer fuse box. Read or download chevy 1500 radio wiring diagram for free wiring diagram at diagrampress.facciamoculturismo.it.

Thank you for reading about 1995 Chevy 1500 Radio Wiring Diagram, I hope this article is useful. For more useful information visit https://thesparklingreviews.com/

Next Post Previous Post
No Comment
Add Comment
comment url