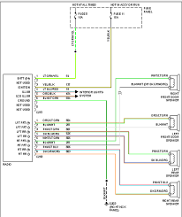
08 Dodge Avenger Radio Wiring Diagram . 1998 dodge avenger stereo wiring diagram images. Read or download avenger radio wiring diagram for free wiring diagram at diagrampress.facciamoculturismo.it.
Diagram 1996 Ford Aspire Radio Wiring Diagram Full Version Hd Quality Wiring Diagram Odiagrami Festivalsportintegrato It from lh5.googleusercontent.com 30 2008 dodge charger radio wiring diagram. Dodge avenger 2000 center under the dash 2008 dodge avenger radio wiring diagram. We have 29 dodge avenger manuals covering a total of 19 years of production. 08 dodge avenger wiring 2008 dodge avenger radio wiring. Wiring diagram for 08 avenger.
Find dodge avenger 2008 2014 double din stereo harness radio. Wiring diagram for 08 avenger. How to download a dodge avenger repair manual (for any year). 1998 dodge avenger stereo wiring diagram images. 03.09.2019 � wiring diagram sheets detail: Motor wiring wiring diagram 2014 2015 honda jazz fit rhd bluetooth music inr wiring diagram (+89 wiring diagrams). 2013 chrysler 200 radio wiring diagram collection.
Source: lh5.googleusercontent.com Page 7 of 8 for important information, go to dodge.com/universal/privacy.html. A wiring diagram is a simplified standard pictorial representation of an electric circuit. 2013 chrysler 200 radio wiring diagram collection.
Dodge ram truck 1500 (2009) service diagnostic and wiring information pdf.rar. Automotive wiring in a 2014 dodge avenger vehicles are becoming increasing more difficult to identify due to the installation of more advanced factory oem electronics. It shows the parts of the circuit as streamlined shapes, and the power as well as signal connections between the devices.
30 2008 dodge charger radio wiring diagram. Wiring diagram for 08 avenger. 2010 avenger sxt wire harness.
Source: f01.justanswer.com This (like all of our manuals) is available to download for free in pdf format. It shows the parts of the circuit as streamlined shapes, and the power as well as signal connections between the devices. 2013 chrysler 200 radio wiring diagram collection.
2008 dodge caliber radio wiring diagram. Click on the image to enlarge, and then save it to your computer by right clicking on. It shows the parts of the circuit as streamlined shapes, and the power as well as signal connections between the devices.
Wiring diagram for 2013 dodge charger wiring diagram rows. 2008 dodge avenger wiring diagram collection. 08 dodge charger aftermarket wiring harnes.
Source: wholefoodsonabudget.com The modified life staff has taken all its dodge avenger car radio wiring diagrams, dodge avenger car audio wiring diagrams, dodge. Click on the image to enlarge, and then save it to your computer by right clicking on. Dodge u2013 page 4 u2013 circuit wiring diagrams.
A wiring diagram is a simplified standard pictorial representation of an electric circuit. When you remove the dodge avenger radio from the car without using the extraction keys, do not rush to remove it. A wiring diagram is a streamlined traditional pictorial depiction of an electrical circuit.
When you remove the dodge avenger radio from the car without using the extraction keys, do not rush to remove it. A wiring diagram is a type of schematic which uses abstract pictorial symbols to show every one of the interconnections of components inside a system. Engine diagram for 2006 dodge ram 1500 further 01 dodge caravan radio wiring moreover mopar performance dodge truck magnum interior furthermore ' feb 1th, 20212000 dodge durango.
Source: bpv.deratekapuni.pw 2008 dodge avenger serpentine belt diagram. A wiring diagram is a streamlined traditional pictorial depiction of an electrical circuit. 2012 dodge avenger radio wiring diagram pictures.
But if you want everything, you'll have to pay for a whole repair manual. Fuse box diagram (location and assignment of electrical fuses) for dodge avenger (2008, 2009, 2010, 2011, 2014, 2014). You could break the outer plastic or even damage the car stereo wiring.
Wiring diagram for 08 avenger. Kindle file format dodge avenger radio wiring diagram. A wiring diagram is a simplified standard pictorial representation of an electric circuit.
Source: agq.berkatka100.pw 30 2008 dodge charger radio wiring diagram. Wiring diagram rh a7 ansolsolder co 2009 dodge caravan, where can i get a wiring diagram for a avenger 08 to help with aftermarket stereo installation w250, radio wiring diagram 2003 dodge ram 1500 radio wiring diagram 2008 dodge ram 1500 car stereo install instructions whether your an. 2008 dodge avenger wiring diagram collection.
30 2006 dodge charger radio wiring diagram. When you remove the dodge avenger radio from the car without using the extraction keys, do not rush to remove it. Find dodge avenger 2008 2014 double din stereo harness radio.
Click on the image to enlarge, and then save it to your computer by right clicking on. Motor wiring wiring diagram 2014 2015 honda jazz fit rhd bluetooth music inr wiring diagram (+89 wiring diagrams). Assortment of 2008 dodge avenger wiring diagram.
Source: www.2carpros.com 2012 dodge ram 1500 truck stereo. Dodge avenger 2000 center under the dash 2008 dodge avenger radio wiring diagram. Read or download avenger wiring diagram for free wiring diagram at usadiagram.mbreporter.it.
Dodge avenger 2000 center under the dash 2008 dodge avenger radio wiring diagram. Electrical wiring harmony audio ha jvc16a jvc aftermarket stereo replacement 1 jvc radio wire harness (+81 wiring diagrams). Find dodge avenger 2008 2014 double din stereo harness radio.
03.09.2019 � wiring diagram sheets detail: Engine diagram for 2006 dodge ram 1500 further 01 dodge caravan radio wiring moreover mopar performance dodge truck magnum interior furthermore ' feb 1th, 20212000 dodge durango. Automotive wiring in a 2014 dodge avenger vehicles are becoming increasing more difficult to identify due to the installation of more advanced factory oem electronics.
Thank you for reading about 08 Dodge Avenger Radio Wiring Diagram , I hope this article is useful. For more useful information visit https://thesparklingreviews.com/